Applications
Industrial & Auto
Industrial Solution
Industrial Overview
Solution Stacks
Lattice Automate
Lattice Drive
Lattice mVision
Lattice sensAI
Lattice Sentry
Automotive
Automotive Overview
ADAS / Driver Assistance
Functional Safety
Infotainment
Quality & Reliability
Factory Automation
Functional Safety
Machine Vision
PLCs
Robotics
Other Industrial
Medical
Video Surveillance
Embedded
Holoscan Sensor Bridge Solutions
Comms & Computing
Client Computing
Notebooks / PCs
Printers
Tablets
Solution Stacks
Lattice mVision
Lattice ORAN
Lattice sensAI
Lattice Sentry
Datacenter Systems
Platform Firmware Resiliency
Servers
OCP Ready Solutions
Storage
Switches
Wireless
5G Open RAN
HetNet Small Cells
Low Power Radios
Millimeter Wave Radios
Wireline
10 Gbps Ethernet MAC
Hitless Updates
Intelligent SFP
RGMII to GMII Bridge
Consumer
Prosumer Electronics
IoT & Wearables
VR Head Mounted Display
Smart Home
Consumer Robots & Toys
Home Control & Security
Solution Stacks
Lattice mVision
Lattice sensAI
Aerospace & Defense
Avionics and UAVs
Avionics
UAVs
Solution Stacks
mVision
sensAI
MILCOM
Software Defined Radio
Satellite Communications
Space
New Space
Launchers
Guidance Systems
Missiles
Smart Munitions
Edge AI
Edge AI Solution
Edge AI Overview
Security
FPGA-Based Security
Security Overview
Solution Stacks
Lattice Sentry
Products
FPGAs & Other Devices
Control & Security FPGA
MachXO5-NX
Mach-NX
MachXO4
MachXO3D
MachXO3
MachXO2
L-ASC10
Platforms
Lattice Avant
Lattice Nexus
Lattice Nexus 2
General Purpose FPGA
Avant-X
Avant-G
Avant-E
Certus-N2
CertusPro-NX
Certus-NX
ECP5 & ECP5-5G
Ultra Low Power FPGA
iCE40 UltraPlus
iCE40 Ultra
iCE40 UltraLite
iCE40 LP/HX
Video Connection FPGA
CrossLinkU-NX
CrossLink-NX
CrossLinkPlus
CrossLink
VIEW ALL DEVICES →
Software Tools
Software Tools
Lattice Diamond
Lattice Propel
Lattice Radiant
Lattice sensAI Studio
Lattice sensAI EVE SDK
Software Licensing
VIEW ALL SOFTWARE TOOLS →
Solutions
Solutions
Community Sourced
Demos
IP Cores
IP Modules
Kits & Boards
Reference Designs
Programming Hardware
Embedded
Solution Stacks
Lattice Automate
Lattice Drive
Lattice mVision
Lattice ORAN
Lattice sensAI
Lattice Sentry
VIEW ALL SOLUTIONS →
Support
Support
Support
Knowledge Base
Submit / Review Support Tickets
Customer Information Request
EXPLORE HELP CENTER →
Software Licensing
Software Licensing
Licensing Support Center
IP Licensing Support
New IP License Request
IP License Bundles
Academic License Request
Quality & Reliability
Quality & Reliability
Quality & Reliability Information
Export Classification Information
Product Change Notifications (PCNs)
Part Number Reference Guide
Customer Information Request
Services
Design Services
Lattice Design Group
Product Services
Secure Supply Chain
Lattice SupplyGuard
Training
Lattice Insights
Discontinued Products
Mature & Discontinued Devices
Legacy Devices & Software
Legacy Products
FPGA Software Archive
Silicon Image Software Archive
Lattice Partner Network
Partner Program
Program Overview
Find Partners
Explore Partner Solutions
Partner Type
IP Cores
Design Services
Boards
Programming Services
EDA
Embedded
Buy
Americas Sales
Sales Locator
Brazil
Canada
Mexico
Puerto Rico
USA
VIEW ALL →
Europe & Africa Sales
Sales Locator
Finland
France
Germany
Israel
Italy
Norway
Spain
Sweden
United Kingdom
VIEW ALL →
Asia Pacific Sales
Sales Locator
Australia
China
India
Indonesia
Japan
Singapore
South Korea
Taiwan
Vietnam
VIEW ALL →
Online Store
Lattice Products
Silicon Devices
Software, Cables, & Boards
BUY ONLINE →
Discontinued Products
Discontinued Products
Rochester Electronics
Arrow Electronics
Blog
About Lattice
About Lattice
About Lattice
About the Company
Corporate Stewardship
Contact Us
Investor Relations
Investor Relations
Investor Overview
Online Investor Kit
Investor FAQ
Board Of Directors
Management
Corporate Governance
SEC Filings
Quarterly Earnings
Analysts
Ethics
Newsroom
Newsroom
Announcements
Blogs
Upcoming Product Events
Image Library
Video Library
Webinar Library
Media Contacts
Careers
Careers
Careers Homepage
Search Job Openings
Our Benefits
Sign In
Register
en
Home
>
Lattice Solutions
Lattice Solutions
Everything you need to quickly and easily complete your design
During the holiday period (Dec 24 – Jan 4), response times from our Global Support Team may be longer than usual.
Share This Result >
General Purpose
Includes all ECP
Video Connection
Includes all CrossLink
Ultra Low Power
Includes all iCE
Control & Security
Includes all MachXO
IP Cores
Boards
Reference Designs
Demonstrations
Lattice sensAI
Machine Learning
Lattice mVision
Image Processing
Lattice Sentry
PFR Root of Trust
View All
Narrow Your Results
Solution Type
Boards
Demos
IP Cores (3)
Reference Designs
Device Support
Certus-NX (3)
CertusPro-NX (3)
ECP5 / ECP5-5G (3)
Tags
AXI (3)
Data Communication (2)
Ethernet (2)
IEEE 802.3 (2)
IEEE1588 (3)
IEEE802.1 (2)
Time Synchronization (1)
TSN (2)
Providers
NetTimeLogic (3)
Clear All
IP Core
Adjustable Counter Clock
The adjustable clock IP is a counter clock that can be adjusted with offset and drift corrections to follow another clock.
Certus-NX
,
CertusPro-NX
,
ECP5 / ECP5-5G
IEEE1588
,
AXI
,
Time Synchronization
IP Core
Time Sensitive Networking (TSN) End Node
The Time Sensitive Networking (TSN) End Node IP supports scheduling, priority queues, credit shaping, cyclic forwarding and preemption.
Certus-NX
,
CertusPro-NX
,
ECP5 / ECP5-5G
IEEE1588
,
IEEE802.1
,
Data Communication
,
Ethernet
,
IEEE 802.3
,
AXI
,
TSN
IP Core
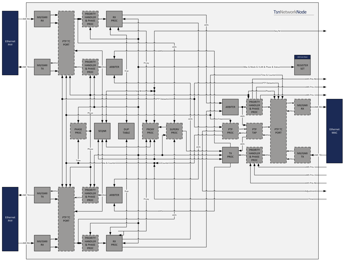
Time Sensitive Networking (TSN) Network Node
Time Sensitive Networking (TSN) Switched End Node IP supports 3 Ports, scheduling, priority queues, credit shaping, redundancy, cyclic forwarding and preemption
Certus-NX
,
CertusPro-NX
,
ECP5 / ECP5-5G
IEEE1588
,
IEEE802.1
,
Data Communication
,
Ethernet
,
IEEE 802.3
,
AXI
,
TSN
Page 1 of 1
First
Previous
1
Next
Last
X
Share This Solution Result
a
Copy Link