DP8051XP: Pipelined High Performance 8-bit MCU

During the holiday period (Dec 24 – Jan 4), response times from our Global Support Team may be longer than usual.

DCD LogoDP8051XP is a ultra high performance, speed optimized soft core of a single-chip 8-bit embedded controller dedicated for operation with fast (typically on-chip) and slow (offchip) memories. The core has been designed with a special concern about performance to power consumption ratio. This ratio is extended by an advanced power management unit PMU.

DP8051XP soft core is 100% binary compatible with the industry standard 8051 8-bit microcontroller. There are two configurations of DP8051XP: Harward where internal data and program buses are separated, and von Neumann with common program and external data bus. DP8051XP has Pipelined RISC architecture 10 times faster compared to standard architecture and executes 85-200 million instructions per second. This performance can also be exploited to great advantage in low power applications where the core can be clocked over ten times more slowly than the original implementation for no performance penalty.

DP8051XP is fully customizable, which means it is delivered in the exact configuration to meet users' requirements. There is no need to pay extra for not used features and wasted silicon. It includes fully automated testbench with complete set of tests allowing easy package validation at each stage of SoC design flow.

Features

  • 100% software compatible with industry standard 8051
  • Pipelined RISC architecture enables to execute instructions 10 times faster compared to standard 8051
  • 24 times faster multiplication
  • 12 times faster addition
  • 2 Data Pointers (DPTR) for faster memory blocks copying
    • Advanced INC & DEC modes
    • Auto-switch of current DPTR
  • Up to 256 bytes of internal (on-chip) Data Memory
  • Up to 64K bytes of internal (on-chip) or external (off-chip) Program Memory
  • Up to 16M bytes of external (off-chip) Data Memory
  • User programmable Program Memory Wait States solution for wide range of memories speed
  • User programmable External Data Memory Wait States solution for wide range of memories speed
  • De-multiplexed Address/Data bus to allow easy connection to memory
  • Dedicated signal for Program Memory writes
  • Interface for additional Special Function Registers
  • Fully synthesizable, static synchronous design with positive edge clocking and no internal tri-states
  • Scan test ready
  • 2.0 GHz virtual clock frequency in a 0.35µ technological process

Jump to

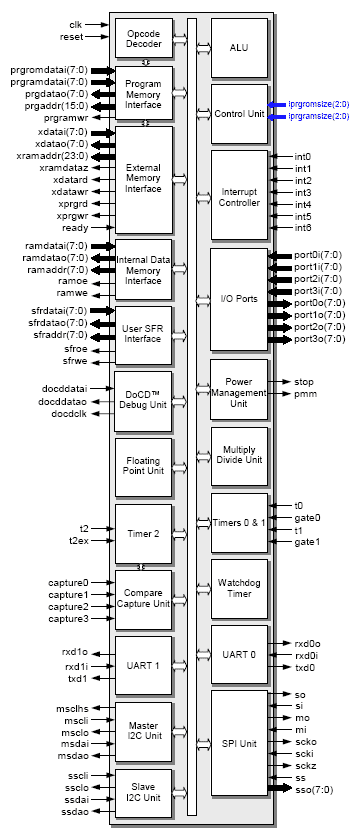
Block Diagram

Performance and Size

Device Speed grade Fmax LUTs
ORCA 4E -3 41 MHz 4250
EC -5 67 MHz 4455
ECP -5 72 MHz 4455
XP -5 60 MHz 4455

Ordering Information

This IP core is supported and sold by DCD, contact DCD at support@dcd.pl or visit their website at www.dcd.pl for more information.