DF6808: 8-bit FAST Microcontrollers Family

During the holiday period (Dec 24 – Jan 4), response times from our Global Support Team may be longer than usual.

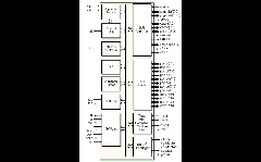
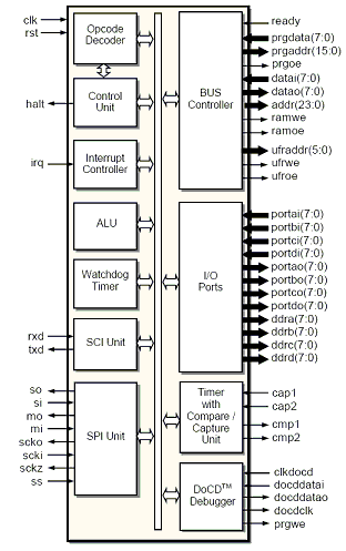
DCD LogoThe DF6808 is a advanced 8-bit MCU IP Core with highly sophisticated, on chip peripheral capabilities. DF6808 soft core is binary-compatible with the industry standard 68HC08 8-bit microcontroller and can achieve a performance 45-100 million instructions per second. There are two configurations of DF6808: Harvard where data and program buses are separated, and von Neumann with common program and data bus DF6808 has FAST architecture that is 3.2 times faster compared to original implementation. Core in standard configuration has integrated on chip major peripheral function.

The DF6808 Microcontroller Core contains full-duplex UART (Asynchronous serial communications interface (SCI), and Synchronous Serial Peripheral Interface SPI.

The main 16-bit, free-running timer system has implemented two input capture lines and two output-compare lines.

Self-monitoring circuitry is included on-chip to protect against system errors. A computer operating properly (COP) watchdog system protects against software failures. An illegal opcode detection circuit provides a nonmaskable interrupt if illegal opcode is detected. Two software-controlled power-saving modes, WAIT and STOP, are available to conserve additional power. These modes make the DF6808 IP Core especially attractive for automotive and battery-driven applications.

DF6808 is fully customizable, which means it is delivered in the exact configuration to meet users requirements. There is no need to pay extra for not used features and wasted silicon. It includes fully automated testbench with complete set of tests allowing easy package validation at each stage of SoC design flow.

Features

  • FAST architecture, 3.2 times faster than the original implementation
  • Software compatible with industry standard 68HC08
  • Configurable Harvard or Von Neumann architectures
  • 64 bytes of System Function Registers space (SFRs)
  • Up to 64k bytes of Program Memory
  • Up to 64k bytes of Data Memory
  • De-multiplexed Address/Data Bus to allow easy connection to memory
  • Two power saving modes: STOP, WAI
  • Ready pin allows Core to operate with slow program and data memories
  • Fully synthesizable, static synchronous design with no internal tri-states
  • No internal reset generator or gated clock
  • Scan test ready
  • Technology independent HDL source code
  • Core can be fully customized
  • 800 MHz virtual clock frequency compared to original implementation

Jump to

Block Diagram

Performance and Size

Device Speed grade Fmax LUTs PFUs
XP -5 43 MHz 2857 651
ECP -5 45 MHz 2857 651
EC -5 45 MHz 2857 651
ORCA 4 -3 30 MHz 1935 367

Ordering Information

This IP core is supported and sold by DCD, contact DCD at support@dcd.pl or visit their website at www.dcd.pl for more information.